I-8066 Hardware
 
     
 
 
     
     
 
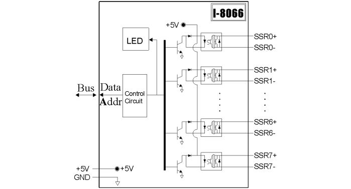
Internal I/O Structure
 
 
   
     
 
PIN Assignments
 
 
     
   
 
Wire Connection
 
 
     
   
     
Copyright© ICP DAS Co., Ltd. All Rights Reserved