I-87026/I-87026(G) Hardware
 
     
 
 
     
     
 
Internal I/O Structure
 
 
   
     
 
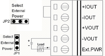
PIN Assignments
 
 
   
     
 
Wiring
 
I-87026 Voltage Output Wire Connection
 
I-87026 Current Output Wire Connection
 
   
     
Copyright© ICP DAS Co., Ltd. All Rights Reserved