I-87016W Hardware
 
     
 
 
     
 
PIN Assignments
 
 
   
     
 
Wire Connection
 
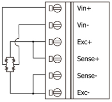
Bridge Sensor/Load Cell/Strain Gauge
Full Bridge Half Bridge
 
Quarter Bridge  
 
 
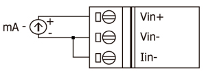
Analog Input
Voltage Input Current Input
 
Analog Output
 
 
 
Digital Input
 
 
Digital Output
 
   
     
Copyright© ICP DAS Co., Ltd. All Rights Reserved