I-7067/I-7067D Hardware
 
     
 
 
     
     
 
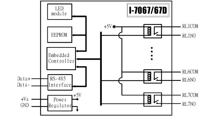
Internal I/O Structure
 
 
   
     
 
PIN Assignment
 
 
 
   
     
  Wire Connection  
 
Relay Output
Relay On
Relay Off
 
   
     
Copyright© ICP DAS Co., Ltd. All Rights Reserved